HP8753A/B/ C分析仪说明书:[27]

 时间:2026-02-15 22:49:33

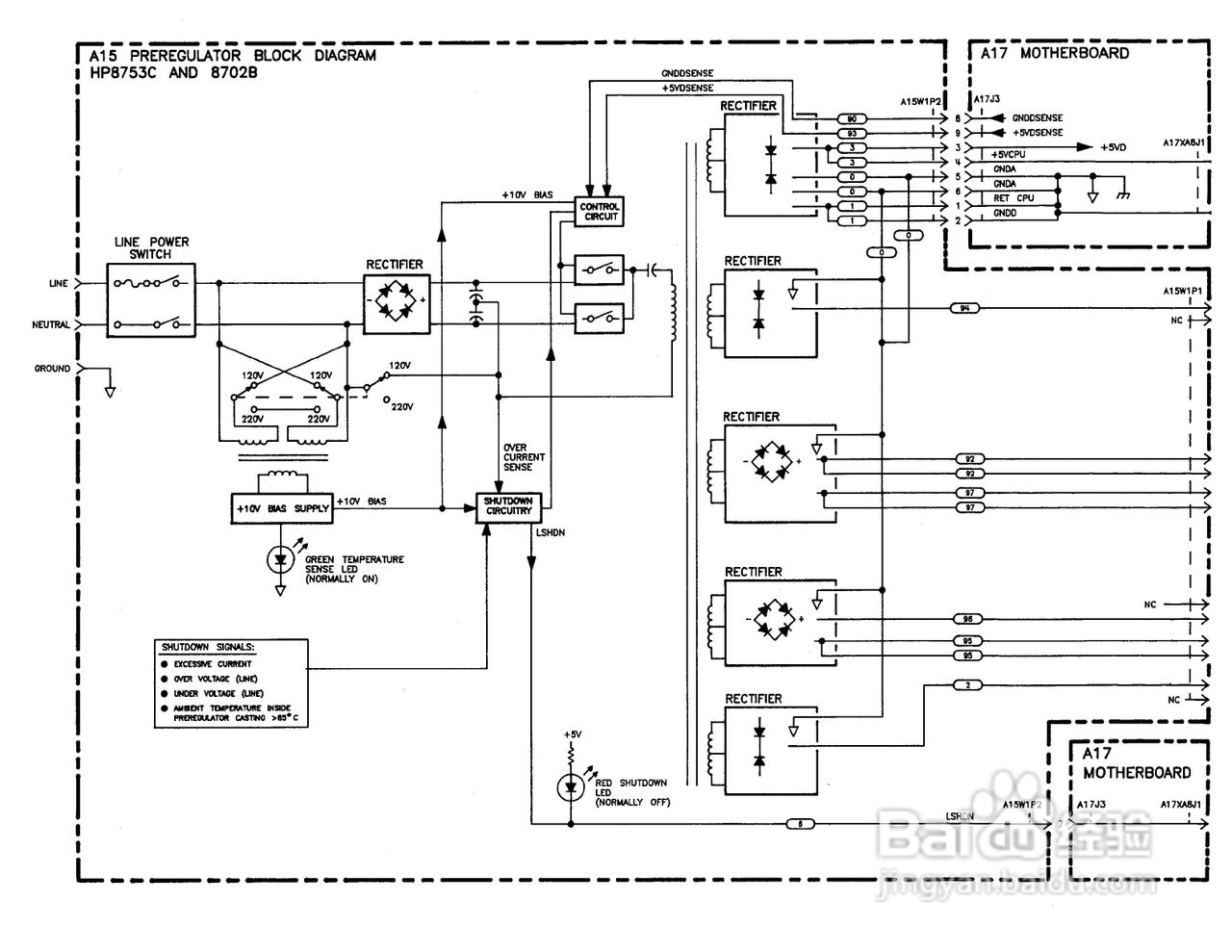
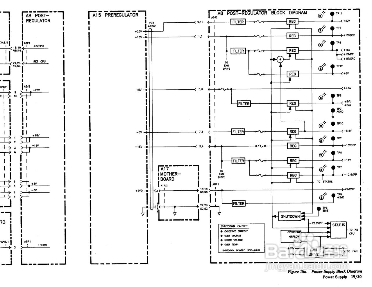
本篇为《HP8753A/B/ C分析仪说明书》,主要介绍该产品的使用方法以及常见故障解决方案。


HP8753A/B/ C分析仪说明书:[27]

HP8753A/B/ C分析仪说明书:[27]

HP8753A/B/ C分析仪说明书:[27]

HP8753A/B/ C分析仪说明书:[27]

HP8753A/B/ C分析仪说明书:[27]

HP8753A/B/ C分析仪说明书:[27]

HP8753A/B/ C分析仪说明书:[27]

HP8753A/B/ C分析仪说明书:[27]

HP8753A/B/ C分析仪说明书:[27]

HP8753A/B/ C分析仪说明书:[27]

(共篇)上一篇:|下一篇:
  • HP8753A/B/ C分析仪说明书:[24]
  • HP8753A/B/ C分析仪说明书:[39]
  • HP8753A/B/ C分析仪说明书:[45]
  • HP8753A/B/ C分析仪说明书:[13]
  • HP8753A/B/ C分析仪说明书:[49]
  • 热门搜索
    十一国内旅游推荐 深圳到日本旅游 悠游旅游网 湘西凤凰旅游 甘南州旅游局 成都旅游注意事项 岛多多海岛旅游论坛 麦豆旅游网 房山旅游网 中国旅游最好的地方